一、特點:
1、優蘭特GX400移動消防排煙機使用力弓專利技術有效延長射程;
2、GX400移動式排煙機全幅可折疊手柄,便于操作;
3、WIDE-Trac自動聚氨酯輪胎可使排煙機牢牢固定于濕地,草坪,泥沼等各種坑洼不平之地;
4、ONE-STEP調腳踏式角度調校器可輕松設定傾斜角度;
5、全焊鋼架,越野型“籠式護框”,配有寬腳墊降低振幅,延長風機使用壽命;
6、計時器有效追蹤維護周期;
7、GX400正壓式機動排煙機已配霧化系統;

二、參數表:
型號 | DP-GX400 |
貨號 | GE5003 |
CCCF 貨號 | YY4.1/5.27-12.5-GX400/8 |
| 單門風量 | 28555m3/hr |
| 雙門風量 | 38250m3/hr |
| 倉庫門風量 | 53040m3/hr |
CCCF風量 | 12500m3/hr |
運行時間 | 108min |
| 葉片數量 | 7 |
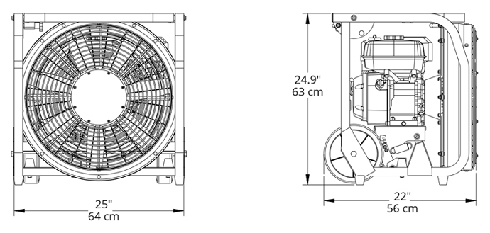
| 風機直徑 | 54cm |
重量 | 40kg |
體積(高/寬/長) | 630/640/560 mm |
噪音 | 96.1 dB |
發動機功率 | Honda 5.5Hp/4.1kW |
認證證書 | CE/CCC |
三、結構圖:

四、使用案例:

聯系人:沈先生
手 機:133-7212-5666
郵 箱:China@swn.cn
公 司:蘇州薩沃納
地 址:江蘇省昆山市慶豐西路555號